一般社団法人 福岡県社会保険医療協会 社会保険 田川病院
小
中
特大
プライバシーポリシー
サイトマップ
採用情報
お問い合わせ
トップページ
患者さん・ご家族へ
医療関係の皆さまへ
診療科・部門のご紹介
病院について
採用情報
トップページ
診療科・部門のご紹介
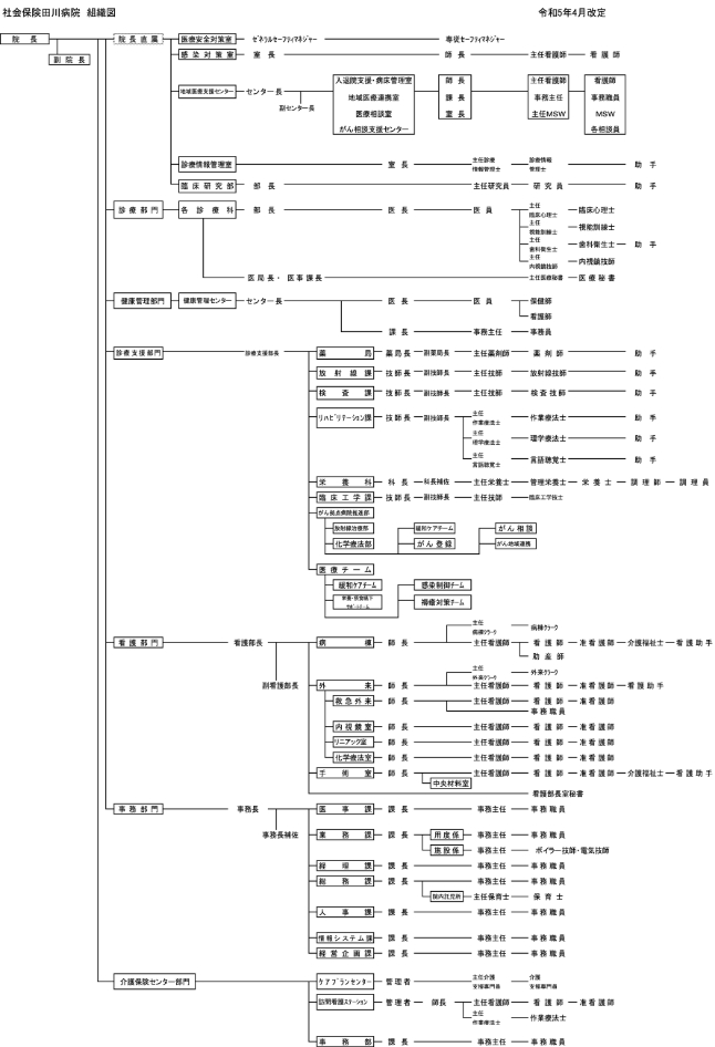
当院の組織図
当院の組織図
※ 下記の図をクリックするとPDFファイルが開かれ、詳しくご覧いただけます。
内科【呼吸器内科、循環器内科、内分泌・糖尿病内科、消化器内科、一般内科】
小児科
外科【一般外科、消化器外科、肝・胆・膵外科、呼吸器外科、乳腺外科、肛門外科、小児外科、乳腺外科(乳腺専門外来)】
整形外科
脳神経外科
形成外科
産科・婦人科
皮膚科
泌尿器科
眼科
耳鼻咽喉科
歯科口腔外科
精神科・メンタルヘルス科
麻酔科
放射線診断科・放射線治療科
化学療法科
リハビリテーション科
病理診断科
緩和ケア内科
訪問診療
医師のご案内
看護部のご案内
外来・病棟紹介
専門看護師・認定看護師紹介
薬局
臨床研究部
栄養科
放射線課
検査課
超音波診断課
内視鏡室
リハビリテーション課
臨床工学課
診療情報管理室
医療安全対策室
緩和ケアチーム
栄養サポートチーム
感染制御チーム
褥瘡対策チーム
放射線治療部
化学療法部
緩和ケアチーム
がん相談
地域連携
当院の組織図